結果発表

プロポーザル部門2次審査結果発表TOPへ | 作品例部門結果発表TOPへ

プロポーザル部門 佳作 合屋統太 坂木渡

大塚裕紀
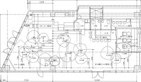
平面

天井の高い既存空間を生かすため,以下の3点をコンセプトとしました.目線よりちょっと上で緩やかに空間を仕切る,たばこを吸う空気の感じ方を場所によって変える,いろんな天井高による居心地の異なる場所をつくる.これらを形にした,フードとして働くもうひとつの天井面を,「もくだまり」と名付けます.全体では,もくだまりは喫煙者と非喫煙者を空間的に分けないよう分散しています.床の上に散らばる家具たちは,天井の低い落ち着いた場所に集まったり,逆に高い広々とした場所を選んだりします.イベントの際は,人びとは自由に居心地のよい場所を見つけて過ごします.「もくだまり」を通して循環する空気は,局部的な置換換気の集まりですが,分散していることで,全体の空気を循環させ,人を分けない分煙空間を実現します.

室内イメージ
設備概要

シェード断面詳細
断面